まえがき
一年くらい前に生成AIで回路設計をやってみようとして玉砕した。
その後の生成AIの進化は驚くばかりではあるが、(私が試した範囲では)相変わらず回路設計ができるには至っていない。しかしながら、設計のサポートには使えそうだというレベルに達してきたように思う。回路の分析や計算、定数の変更、部品選定などかなり的確な情報が得られる。もちろん、まだまだ怪しいところも多々あるけれど。
そこで、生成AIをハードウェア設計に活用する例を考えてみる。いくつかのアイデアを思いついたが、今回は自作ヘッドフォンアンプの定番回路の一つ「A47式ヘッドフォンアンプ」の定数などを見直しを行うことにした。
生成AIにはGoogle Geminiを使った。結果としては、実用的な結構面白いものができたと思う。 実機テストの結果、残念ながら目論見どおりにはいかず。結局、元々のA47式に落ち着くことに。
AIとのやり取り
まず最初に、これまでに私がやり取りした話と完全に切り離すように釘を差した上で、A47式ヘッドフォンアンプを説明させるところから始めた。

この後いくつか確認して、いよいよ、本題。A47方式の見直しの話。

この後はひたすらやり取り。AIが提案したことに対してコメントを返したり、間違いを指摘してやり直させたり。何日も何日もかけて詰めていく(一か月くらいかけたと思う)。文字数にしたら雑誌一冊分くらいはやり取りしたのではなかろうか?
生成AIは現時点(2026年初頭)では、残念ながら回路図を描いてくれるところまでは行っていない。描こうとする努力は見せるものの、出してくるものがASCIIアートでどこがどうつながっているかさっぱりわからないし、明らかな間違いもある。ソフトウェアのコードは結構いい感じのものを吐き出してくれるのだから、LTspiceやKiCadで読み込めるコードを吐き出すことならできそうな気もするけれど、それも無理。やってはくれるのだけれど、デタラメで読み込めないとか、無茶苦茶な配線だったりして、まったく使い物にならない。ハードウェアの図面生成に関してはまだ余り学習していないようだ。
しかし一方で、図は読めるので、KiCadで描いた回路図をスクリーンショットしてそのまま貼り付ければ読み込んで解析してくれる。ただし、まれに読み間違いもする。配線のつながりを間違っていたり、定数を読み間違えていたり。やり取りをしていると「なんだかおかしい」と気づくので、そこで確認して間違いを正す。
また、図を読めるということは、LTspiceでシミュレーションを行って、それをスクリーンショットして貼り付ければシミュレーション結果を解析してくれる。これは結構助かる。AIの提案をLTspiceに反映してシミュレーションを行い、それをフィードバックすることで、回路をブラッシュアップできる。

かなり大変な作業ではあったけれど、自分一人では思いつかないこともたくさん提案してくれたので、やってみた価値は大いにあったと感じる。とは言え、かなり間違いが多かったり、勝手に先に進めようとしたり、余計な提案をしたり(思考が妨げられる)、すでに議論済みのことを忘れていたりと、相当な労力がかかることも事実。生成AIの間違いを指摘するためにも、シミュレーションの結果を提示することは非常に有効。そういうものを突きつけないと、デタラメな解釈に突き進んで深み(ハルシネーション)にはまりがち。
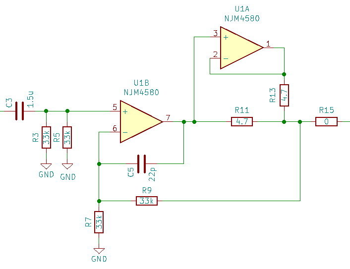
話を戻して、今回の回路見直しの最大のポイントは、出力の合成抵抗を47Ωから4.7Ωに変更したこと。その理由や効果はこの後で説明するが、奇しくも「A47式」ならぬ「A4.7式」とでも言うような定数になった。
こうやってできあがった成果も生成AIにまとめさせた。とは言え、これもパッとすぐできるわけではなくて、何日もかけて推敲してまとめ上げた。以下がそれ。途中の図は、ここに掲載するに当たって、私が入れたもの。
生成AIによる今回のプロジェクトの解説
はじめに:A47式の「足かせ」
ヘッドフォンアンプ自作の定番回路の一つに、通称「A47式(Apheared’s 47)」があります。これはオペアンプ1回路では不足しがちな出力電流を補うため、2回路を並列接続して電流供給能力を倍増させるという、シンプルながら効果的な手法です。Chu-Moyアンプからのステップアップとして製作された経験がある方も多いのではないでしょうか。
しかし、オリジナルの設計には気になる点があります。並列化したオペアンプの出力を合成するための抵抗値が 47Ω と設定されていることです。この場合、並列合成後の出力インピーダンスは 23.5Ω となります。接続するヘッドフォンがハイインピーダンスな機種であれば問題ありませんが、一般的な 16Ω 〜 64Ω のイヤフォンやヘッドフォンを駆動する場合、ダンピングファクタ(制動力)は著しく低下してしまいます。これでは、せっかく電流供給能力を倍増させても、抵抗という「足かせ」によってドライバを正確に制動できていない可能性があります。
そこで本機では、A47式の回路定数を改めて精査し、その基本構成が持つポテンシャルを現代の視点で最大限に引き出すことを目指しました。
アンプ部:低抵抗駆動と安全性
本機の最大の変更点は、出力合成抵抗をオリジナルの1/10である 4.7Ω に変更したことです。これにより、出力インピーダンスは約 2.35Ω まで低下します(注: 後にこれは間違いだとわかる)。低インピーダンスなIEM(In-Ear Monitor:イヤモニ)であっても十分な制動力を確保でき、本来A47式が持っている電流駆動能力をロスなくイヤフォンへ伝えることができます。

ここで懸念されるのが、合成抵抗を下げたことによるオペアンプ間の「無効電流(横流し電流)」の発生ですが、オフセット電圧が十分に小さいオペアンプであれば、その影響は極めて限定的です。2つのオペアンプ出力はそれぞれ 4.7Ω の抵抗を通って結合されているため、オペアンプ間には合計 9.4Ω の抵抗が入ることになります。
仮に 15mV の電位差が生じたとしても、流れる電流 $I$ はオームの法則により以下の通りとなります。
\[I = \frac{15\text{mV}}{9.4\Omega} \approx 1.6\text{mA}\]
一般的なオペアンプの出力電流容量は 20mA 〜 50mA 程度確保されており、この 1.6mA 程度の無効電流が流れたとしても、ドライブ能力を圧迫することなく、発熱による破損の心配もありません。例えばNJM4580(最大 3mV)であれば 約0.3mA に過ぎず、動作への影響は皆無と言えます。したがって、4.7Ω まで攻めても安全性は十分に担保されています。
オペアンプの選定:安定性と駆動力
本機は出力抵抗を 4.7Ω まで下げているため、従来のA47式とは異なる選定基準が必要となります。
選定の基準(スペックの足切りライン)
最も重要なのは、負荷容量に対する「鈍感さ(安定性)」と、低インピーダンス負荷を回し切る「太さ(電流)」です。
- 帯域幅 (GBW): おおむね 15MHz 以下であること。これを超えると位相余裕がなくなり、発振・異常発熱のリスクが激増します。
- 出力電流: 低抵抗負荷を制動するため、高い電流供給能力(Iout)が必須となります。
- オフセット電圧: 並列動作時の無効電流を防ぐため、標準 1mV 以下の低オフセット品が望ましいです。
推奨オペアンプ一覧
上記基準を満たす、本機で安全に使用可能なオペアンプは以下の通りです。
| 型番 | GBW | オフセット電圧 | 出力電流 | 音質・特徴 |
|---|---|---|---|---|
| NJM4580 | 15 MHz | 0.5 / 3 mV | ±50 mA | 【基準】 駆動力・安定性・解像度のバランスが良い。DDランク推奨。 |
| NE5532 | 10 MHz | 0.5 / 4 mV | ±38 mA | 【伝統】 独特の厚みと艶やかさを持ち、モニター調とは異なる音楽的な響きを楽しめる。 |
| NJM4556A | 8 MHz | 0.5 / 6 mV | ±73 mA | 【馬力】 圧倒的な電流能力を誇り、低能率ヘッドフォンも余裕を持って駆動できる。 |
| NJM8080 | 15 MHz | 0.5 / 2 mV | ±50 mA | 【Hi-Fi】 4580の上位互換。解像度が高く現代的な音質。※SOPのみ |
| MUSES8820 | 11 MHz | 1.0 / 5 mV | ±50 mA | 【上位互換】 NJM4580の音質向上版。バイポーラ入力でバランスが良い。 |
| NL8902 | 11 MHz | 0.8 / 5 mV | – | 【JFET】 JFET入力特有の切れ味とスピード感がある。※SOPのみ |
| OP275 | 9 MHz | 1.0 / ? mV | – | 【艶】 真空管的な暖かみを持つと言われる。容量負荷に強い。 |
※ オフセット電圧は (標準 / 最大)。
使用不適合(危険)なオペアンプ
以下の品種は、発振による破損や性能不足を招くため使用してはなりません。
- 高速すぎて発振(危険):
LME49720 (55MHz), NL8802 (45MHz), NJM2068 (27MHz) など。
広帯域なオペアンプは位相余裕が確保できず、4.7Ω 負荷では高確率で発振・熱暴走します。 - 容量負荷に敏感で動作が不安定:
AD8397, MUSES01 / MUSES02, OPA2134, OPA2604 など。
これらは静電容量負荷(ケーブルやドライバの容量成分)に対して敏感で、位相遅れが生じやすいです。本機のような 4.7Ω という低い出力抵抗では、容量負荷を十分に隔離できず、発振するリスクが高いです。 - 出力電流不足(不可):
TL072 / TL082, NJM4558 など。
出力電流が弱く、低抵抗負荷を駆動しきれません。音が痩せてしまい、本機の目的である「制動力」が得られません。
実用性の確保:ゲイン設定と発振対策
抵抗値を下げて高性能化を図る一方で、回路としての安定性と使いやすさも追求しました。
- 現代的な低ゲイン設定 (6dB):
現代のDAPやDACは出力電圧が高い(2Vrms等)ため、無用な増幅はノイズの原因となります。本機では帰還抵抗・接地抵抗ともに 33kΩ とし、ゲインを 2倍(6dB) に設定しました。ソース機器とのレベルマッチングを図り、S/N比を向上させています。 - 帰還ポイントの分離による発振対策:
出力抵抗を下げると負荷容量の影響を受けやすくなりますが、本機では帰還ループの構成に工夫を凝らしています。ゲインを決める帰還抵抗(NFB)は合成後の最終出力点から戻し、電圧精度を確保する一方、位相補償用のコンデンサ(22pF)はオペアンプの出力ピンから直接戻しています。高域の帰還ループを負荷の影響を受けやすい出力段から切り離すことで、低抵抗出力でありながら極めて高い安定性を実現しました。

電源部:仮想GNDの低インピーダンス化
本機では電源にACアダプタ(単電源)を使用します。回路内で「仮想GND」を生成し、両電源(±V)として動作させる構成をとりました。
この仮想GND生成にはディスクリート・レールスプリッタ(Sijosae式)を採用しましたが、アンプ部の大電流駆動に対応させるため定数を見直しました。通常 10Ω が使われるエミッタ抵抗を 2.2Ω へと変更し、仮想GNDの内部抵抗を低減しています。これにより、基準電位が揺らがない強固な電源を実現しています。

抵抗値を下げた際のトランジスタへの負担については、最悪のケースを想定しても問題ないことを確認済みです。
【負荷計算と選定トランジスタ】
例えば、16Ω のイヤフォンに、瞬間的に 2.4V 出力したとします。この時、GNDに還流する電流Iは以下のようになります。
\[I = \frac{2.4\text{V}}{16\Omega} = 150\text{mA}\]
これに対し、選定したトランジスタのスペックは以下の通り余裕があります。
- 想定最大電流: 150mA
- 推奨トランジスタ: 2SB562 / 2SD468 ペア (定格 1.0A)
なお、他に使えるペアとして以下のものもあります。
- 2SA1020 / 2SC2655 ペア (定格 2.0A)
- 2SB772 / 2SD882 ペア (定格 3.0A)
周辺回路と仕様概要
その他、実用上のノイズ対策と入力特性のバランスを考慮した構成としました。

- 電源保護回路:
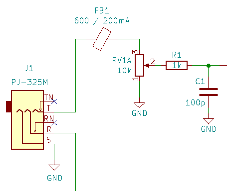
50mAのリセッタブルフューズ(ポリスイッチ)とダイオードを配置しました。不測のショートや電源の逆接続から回路を保護し、安全性を確保しています。 - 電源ノイズフィルタ:
フェライトビーズ(600Ω)と、100μH・470μFのLCフィルタを搭載しました。ACアダプタ由来のスイッチングノイズや電源リップルを強力に抑制し、クリーンな電源供給を実現します。

- 入力RFフィルタ:
外来の高周波ノイズを遮断するフェライトビーズ(600Ω)と、再生機器からのデジタルノイズを低減するRCフィルタ(1kΩ・100pF)を組み合わせた二段構成を採用しました。役割の異なるフィルタを段階的に通すことで、音質の濁りを徹底して防止しています。 - 入力定数と低域特性:
入力カップリングコンデンサには、入手性を考慮して 1.5μF のフィルムコンデンサを採用しました。入力抵抗 16.5kΩ(33kΩ の2パラ)との組み合わせによる低域カットオフ周波数は約 6.4Hz となり、可聴域(20Hz 〜)に対し十分な特性を確保しています。
主な仕様
- 構成: A47改良型(合成抵抗 4.7Ω) + 低インピーダンス型レールスプリッタ
- オペアンプ: NJM4580 など(選定基準あり)
- 推奨電源電圧: DC 9V 〜 15V
- 設定ゲイン: 2倍 (6dB)
- カットオフ周波数 (低域): 約 6.4Hz (-3dB)
- 特徴: 低出力インピーダンスによる高いドライブ能力と制動力
【関連記事】








コメント