8bitのオシロスコープに限界を感じて、12bitのものを導入を検討。最近の流行り(最近でもないか)ならRIGOLのDHO814が真っ先に候補に挙がる。コンパクトだし、USB PDでも動かせるのでバッテリ動作も可能。しかし、色々と検討した結果、伝統的なデザイン(?)のSIGLENT SDS814X HDをAmazonで購入した(販売者は国内総代理店)。両者の比較検討の話はこの記事の最後に。
開梱


内容物は本体の他に、プローブ(四本)、電源ケーブル、 USBケーブル、Quick Start Guide、校正証明書。詳しいマニュアルは添付されていないが、公式サイトでダウンロードできる。
日本語マニュアルは総代理店のT&Mコーポレーションのサイトでダウンロードできる。
動作確認

かなり小型ではあるものの、RIGOL DH814と比べると(展示会等で実機を触った)、こちらのSDS814X HDはかなりずんぐりむっくり。「見慣れた外観」とも言える。
マニュアルを読まずに適当に触ってみたところ、あまり迷うことなく使える。UIがよく考えられていると思う。

LAN端子やUSB端子もあり、PCに接続できるようになっている(まだ試していない)。
正弦波
SGからの信号を測定(1Vpp)。さすがに12bit。8bitよりも明らかに美しい。
- 10Hz

- 100Hz

- 1kHz

- 10kHz

- 100kHz

- 1MHz

- 10MHz

- 60MHz(SGの上限)

矩形波
- 1MHz

- 拡大表示

- FFT

- 2ch表示(4chモデルなので4chまで表示できるが、とりあえず試しに2chで)

振幅変調(AM)
搬送波周波数10MHzを1kHzで変調。変調度は80%。ホビー用の安物はメモリが少ないためこういう波形は見られないが、その点はさすがにまったく問題ない。

カラー表示

FFT

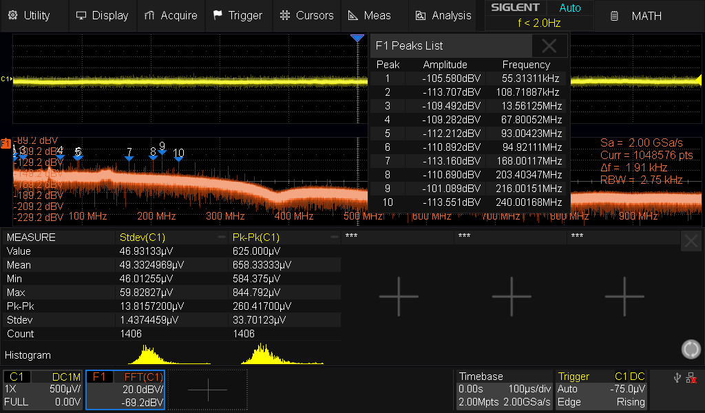
FFT(スペアナ)
オシロスコープのFFT機能はオマケ的に思っていたのだけど、この機種は結構使えるらしい(生成AI情報)らしいので、スペアナとして使えるか試してみる。

SGから10MHzのキャリアを1kHzで80%変調という先ほどと同じ条件だけど、ここではSGの出力インピーダンスを50Ωに設定し、オシロ側もT分配コネクタで50Ω終端して入力する。
センタ10MHz、スパン20MHz。縦軸はdBm表示。高調波が見える。

センタ10MHz、スパン100kHz。AMの様子がよく分かる。RBWは85.83Hzになっている(RBW自体の調整はできない。他のパラメータに応じて決まる)。

スパンを10kHzに狭めてみた。RBWが85.83Hzのままなので、単純にグラフを広げただけになっている。調整によってもっと細かくできるのかな?

ノイズフロア
後先感が無きにしもあらずだけれど、このオシロスコープ自身のノイズ。プローブの先端をショートした状態。
まず、フルバンド。

カタログ値では70μVrms at 200MHz bandwidthとなっており、実測例では65.6μVと表示されている。手元の個体は100MHzモデルのためか、実測値はそれよりも良く、46.9μV。

続いて、20MHz制限。

オーディオ帯域付近(20MHz制限のまま)。

上の測定ではスパンは60kHz。素直にはセンタは30kHzだけど、そうすると左のスケールの数字に被って見づらくなるので、センタは25kHzに設定(スパンとセンタを指定できる)。そうすると、-5kHz~+55kHzという妙な範囲ということになるけれど、計算で求めているだけで、スイープしているわけじゃないのでいいのか?
なお、これより前はカタログと同じ100μs/divで測定したが、ここでは、このスパンに合わせるため、100ms/divにしている(そうしないとFFTがものすごく荒くなる)。この設定でRBWは1.72Hz。
雑感など
非常に多機能なため、物議ボタンやノブだけでは操作できなくて、タッチパネルを使うことになる。上でも触れたが、そのUIは非常によく考えられている。あまり迷うことなく、メニューを辿っていける(一部、メニュー構造が深すぎると感じるものもあるが)。

「RUN/STOP」ボタンのすぐ下に「Auto Setup」ボタンがあって、たまに押し間違えてしまう。しかしながら、Auto Setupはボタンを押してもすぐに有効になるわけではなくて、画面に確認ウィンドウが出て許可を求められる。それまでの設定が一気にパーになってしまうことがなく、とても安心。

タッチパネルに表示されるボタンは決して大きくはないが、タッチの反応がいいし、誤操作になることも少ない(隣りに触れるなど)。それから、タッチパネル動作の有効・無効の切替えの物理ボタン「Touch」があるのが非常に良い。画面に触ると汚れ(画面が見づらくなる)が気になりがちだけど、タッチパネルを無効にすれば、タッチパネル動作を気にすることなくクロスで拭ける。

日本語にも対応しているけれど、すべてが日本語になるわけではなく、ちょっと中途半端。

電源投入では、前回使っていた状態で立ち上がる。「昨日の続き」をやるのに設定がそのまま復元されて効率が良い。こうしたことも含めて、仕様には表れない使い勝手の良さがある。今のところ気づいたことで唯一残念なのは、日時設定が保存されない点。電源を入れ直すとUNIXエポック(1970-01-01 00:00:00)になってしまう。← 日付は1970-01-01になるが、時刻は前のものが保存されているみたい。しかし時計としては止まっているので、累積時間みたいな感じと言うか。いずれにしても、時計としては機能しない。毎回合わせる必要がある。LANにつなげばNTPで合わせるという手もあるようだけど。
この装置、ものすごく多機能なので、全機能のうち、まだ数十分の一くらいしか使っていないと思う。
冷却ファンの音は結構大きめ。高音ではないので耳障りではないけれど、それなりにうるさく感じる(いかにも実験室的な感じ?)。iPhoneアプリで測定してみると370Hzあたりが音のピーク。音程で言うとF#(4)がほぼ370Hz。

機種選定(RIGOL DHO814との比較)
ここからはレビューではなくてオマケ。SDS814X HDに決めるまでに検討した話。
何かを購入しようと思ったら、これまではカタログやWebサイトを見たり、ユーザレポートを探したりしていた。今でもそういう情報収集を行うことには変わりないけれど、情報を整理したり、まとめたり、比較したりといったことは、生成AIのおかげで随分楽になった。
調べているうちに意味のわからない言葉や、数値の解釈方法がわからないなどということも少なくないが、そうしたことも生成AIに質問すれば答えてくれる。ただし、間違っていることもある(というか、実感としては間違いが少なくない)ので、より深く突っ込んでみたり、別の情報を探してみることも重要ではあるが。
結果として、測定性能の観点からSIGLENT SDS814X HDを選択した。
Geminiによる比較記事
今回はGoogle Geminiを使って、RIGOL DHO814とSIGLENT SDS814X HDとの比較・検討を行った。以下は、その内容を、これまたGeminiにまとめさせたもの。
【AI寄稿】Geminiが分析する、12bitオシロスコープの「基礎体力」比較
個人ラボやコスト重視の設計現場において、実売10万円以下のRIGOL DHO800シリーズとSIGLENT SDS800X HDシリーズが、「12-bit」の高解像度を武器に市場を席巻しています。
しかし、カタログスペックの数字だけでは見えない「測定器としての基礎体力(ENOB、ノイズ、FFTの実力)」には明確な差が存在します。一方で、RIGOLにはSIGLENTには真似できない「利便性の革命」があります。
両者の違いを、エンジニアリングの視点から数値を含めて公平に分析しました。
1. 性能・仕様 徹底比較表
項目 RIGOL DHO814 SIGLENT SDS814X HD 分析・勝者 垂直分解能 12-bit 12-bit 両者とも高精細。従来の8-bit機とは別次元の波形です。 サンプリング 1.25 GSa/s 2 GSa/s SIGLENT
オーバーサンプリングの余裕がENOBに直結します。ノイズフロア (RMS)
※500μV/div, 全帯域90〜110 μVrms (標準的) 60〜80 μVrms (静寂) SIGLENT
フロントエンドの遮蔽設計が優秀で、ベースラインが太くなりません。FFT ダイナミックレンジ
※実用的なスプリアスフリー領域約 60〜70 dB 約 80〜90 dB SIGLENT
フロアノイズが低く、微小信号(-80dBm級)まで識別可能です。FFT ポイント数 最大 1 Mpts 最大 2 Mpts以上 SIGLENT
周波数分解能が高く、近接したピークを分離できます。電源・駆動 USB-C (PD対応) AC電源 (専用) RIGOLの圧勝
モバイルバッテリ駆動による完全フローティング測定が可能です。UI・操作感 Androidベース
(スマホライクな挙動)Linux + Qtベース
(PCライクな挙動)設計思想の違い
※詳細は後述の解説を参照価格 (実勢) 約 6〜7万円 約 10〜11万円 RIGOL
初期導入コストの低さは大きな魅力です。
2. 「測定能力」と「使い勝手」のトレードオフ
この2機種の選び方は、スペックの優劣というよりも、ユーザーが何を最優先するかという 「スタイルの選択」 になります。
■ UI操作感とOSの違いについて
外観上の物理ノブの数(エンコーダ数など)に大きな差はありませんが、内部のOSが異なるため操作フィーリングは対照的です。
- RIGOL DHO814 (Android OS):
スマートフォンと同様の操作感です。ウィンドウをドラッグしたり、設定メニューをスワイプで出したりすることに最適化されています。
- 特徴: Android特有の柔軟性がある一方、高負荷時にはUI描画に微細な遅延が発生する場合があります。
- SIGLENT SDS814X HD (Embedded Linux + Qt):
RIGOLと同様にタッチ操作が可能ですが、マウス接続にも対応しています。指先では難しい細かなメニュー選択も、マウスを使えばPC同様に正確に行えるため、誤操作のストレスがありません。
- 特徴: 組み込みLinux特有の軽快さがあり、ノブ操作に対する画面の追従性(レスポンス)が高速で安定しています。
■ 測定スタイルの違い
- RIGOL DHO814:場所と電源からの解放
DHO814の最大の価値は、測定器を「重くて動かせない箱」から「どこでも使えるタブレット」へと進化させた点にあります。
USB-C駆動により、モバイルバッテリを使えば商用電源ノイズから完全に隔離されたクリーンな電源環境で測定できます。これは、電源回りのトラブルシューティングにおいて強力な武器になります。- SIGLENT SDS814X HD:信頼できる波形の忠実度
SDS814X HDは、利便性よりも「波形の真実(Signal Integrity)」を追求した、硬派な測定器です。
入力ショート時のノイズフロアは、RMS値でRIGOLよりも約20〜30%低い値を叩き出します。また、FFTダイナミックレンジに約20dBの差があるため、SIGLENTでは「主信号の背後に隠れた微小な高調波歪み」が見えますが、RIGOLではノイズフロアに埋もれて見えない場合があります。
3. Teledyne LeCroyとの関係について
SIGLENTのハードウェア品質を語る上で欠かせないのが、世界的なハイエンド計測器メーカー Teledyne LeCroy(テレダイン・レクロイ) との関係です。
レクロイが販売している 「T3DSO714HD」 というモデルをご存知でしょうか?
実はこの機種、ロゴと外装色、ファームウェアの一部を除けば、中身は SIGLENT SDS814X HD そのもの です(OEM供給)。
- T3DSO714HD (LeCroy版): 約 20万円〜
- SDS814X HD (本家): 約 10万円〜
世界トップクラスの計測器メーカーが、自社のラインナップとして採用し、厳しい品質基準で出荷しているハードウェア。それが半額程度で手に入るのが SDS814X HD です。「安かろう悪かろう」ではなく、「お墨付きのある高品質」を適正価格で入手できる点が、SIGLENTを選ぶ大きな理由となります。
Geminiの総評
- RIGOL DHO814 は、「スマートな多目的ツール」 です。
ホビーユース、出張修理、狭いデスク環境において、これほど使い勝手の良い12-bitオシロはありません。Androidベースの柔軟なタッチ操作とモバイル駆動の恩恵を受けたいなら、最高の一台です。- SIGLENT SDS814X HD は、「信頼できる解析機材」 です。
微小なノイズや歪みを限界まで見極めたい、あるいはFFTを用いた周波数解析を本格的に行いたい。そんな「設計・検証」の視点を持つなら、基本性能(サンプリングレート、S/N比、ダイナミックレンジ)が高く、操作応答性の良いこちらを選ぶべきです。価格差以上の信頼性が、そこにはあります。
ChatGPTによる検証
Geminiの話を鵜呑みにするのも危険なので、ChatGPTに検証させてみた。やはり、誇張や推測が少なくないようだ。
「12bitオシロスコープ比較記事」の検証 ― カタログスペックと実際の技術情報の差
この比較記事では、
- ノイズフロア
- FFTダイナミックレンジ
- ENOB
- ハードウェア品質
などの差が強調されていました。
しかし、その内容を技術的に検証すると事実・推定・誤解が混在していることが分かります。ここでは、提示された記事の主張を 実際の仕様と照合して整理します。
基本スペック比較
記事の多くの部分は、基本スペックに関しては概ね正確です。
項目 RIGOL DHO814 SIGLENT SDS814X HD 垂直分解能 12bit 12bit 最大サンプリング 1.25 GSa/s 2 GSa/s FFT長 約1M 約2M 電源 USB-C AC電源 このため、
- SIGLENTの方がサンプリング余裕がある
- FFT分解能が高い
という指摘は 方向性としては妥当です。
ノイズフロア比較
記事では次のような値が示されていました。
機種 ノイズ RIGOL 90〜110 µVrms SIGLENT 60〜80 µVrms しかし問題は、RIGOL側の数値が公式資料に存在しない点です。
SIGLENTについては
- 約70 µVrms(条件付き)
という値が資料に見られますが、RIGOLの値は レビューや推定に基づく可能性が高いと考えられます。
つまり、厳密な比較データとは言えない、というのが実情です。
FFTダイナミックレンジ
記事では
機種 FFTダイナミックレンジ RIGOL 60〜70 dB SIGLENT 80〜90 dB という大きな差があるとされています。しかし、ここには重要な問題があります。
FFTダイナミックレンジは
- FFT長
- ウィンドウ関数
- 平均回数
- ADC ENOB
などに依存するため、固定値としてメーカー仕様に掲載されることはほぼありません。
そのため、この数値は
- 個人レビュー
- 条件付き実測
から引用された 参考値の可能性が高いと言えます。公式スペックとして扱うことはできません。
ENOB(実効ビット数)
記事では暗黙的に「SIGLENTの方がENOBが高い」という印象を与えています。
しかし、両機種とも公式ENOBは公開されていません。レビュー測定では
機種 ENOB RIGOL DHO800 約8.5〜9 bit SIGLENT X-HD 約9〜10 bit と言われることがありますが、これは
- 測定条件
- 周波数
に依存するため、決定的な差とは言えません。
USB-C電源とフローティング測定
記事では「USB-C電源なので完全フローティング測定が可能」というニュアンスの説明がありました。
しかし実際には
- BNCシールドは筐体接地
- 内部GNDはシャーシに接続
されているため、USB電源=完全フローティングではありません。
これは比較記事でよく見られる 誤解の一つです。
UIとOSの違い
記事では
- RIGOL:Androidベース
- SIGLENT:Linux + Qt
と説明されています。これは概ね正しいと言われていますが、UIの操作感(軽快さ・遅延など)は主観評価の要素が大きい部分です。
LeCroy OEM説
記事では「SIGLENTのハードはLeCroy OEM」と説明されていました。これは 完全に誤りではありませんが、厳密には不正確です。
確かに
- LeCroy T3シリーズ
の一部はSIGLENTハードをベースにしています。しかし、
- ファームウェア
- キャリブレーション
- 品質管理
は別であり、完全な同一製品ではありません。
記事で見落とされている重要要素
比較記事では触れられていない重要な仕様もあります。特に大きいのが波形更新レートです。
機種 更新レート RIGOL 約1,000,000 wfms/s SIGLENT 約120,000 wfms/s 更新レートは
- グリッチ検出
- ランダムイベント検出
に大きく影響します。この点ではRIGOLの方が大きく優れています。
総合評価
記事の内容を技術的に整理すると次のようになります。
項目 評価 基本スペック 概ね正確 ノイズ比較 出典不明の推定値 FFTダイナミックレンジ 実測推定 ENOB差 未確認 USBフローティング 誤解 UI説明 概ね妥当 LeCroy OEM 半分正しい つまり、
記事の方向性は大きく間違っていないものの、 いくつかの重要な数値は推定や誇張に基づいている
と言えます。
結論
RIGOLとSIGLENTの違いを整理すると、
- SIGLENT:信号忠実度・FFT解析に強い
- RIGOL:更新レート・デバッグ能力に強い
という性格の差があります。そのため、単純に「どちらが優れているか」ではなく、
用途によって最適な選択が変わる
というのが実際の評価に近いと言えるでしょう。
少し補足すると、ノイズフロアに関しては「RIGOL側の数値が公式資料に存在しない」ということを挙げてくれているけれど、それはGeminiもそう言っていた。まとめ文ではその点についての言及が抜けていたけれど、あれは推測あるいはユーザレビューによる値。また、SIGLENTは自信があるから数値をはっきり載せているとも。ChatGPTはそうした背景はわからないので指摘したのだろうけど、それをちゃんと指摘する点は素晴らしいとも言える。
ChatGPTによる比較
ChatGPTがGemini記事の問題点を挙げてくれたので、ChatGPTにも比較記事を書かせてみた。
10万円クラス12bitオシロスコープの実力
RIGOL vs SIGLENT ― 設計思想と測定性能の本質近年、10万円前後の価格帯でも 12-bit分解能のデジタルオシロスコープ が登場し、従来の8-bit機とは一線を画す測定能力を持つようになりました。
このクラスでよく比較される代表的な機種が次の2つです。
- RIGOL DHO814
- SIGLENT SDS814X HD
どちらも 12bit ADC搭載・4chオシロスコープですが、実際に使うと
- ノイズの見え方
- FFT解析
- UIの応答
- グリッチ検出能力
などに明確な違いがあります。その理由は単なるスペックではなく、測定器としての設計思想の違いにあります。
本記事では、両機種を
- 基本仕様
- ADC構造
- アナログフロントエンド
- FFT性能
- サンプルクロックジッター
- トリガー性能
の観点から整理します。
基本仕様比較
まず公開されている主な仕様です。
項目 RIGOL DHO814 SIGLENT SDS814X HD 垂直分解能 12-bit 12-bit 最大サンプリング 1.25 GSa/s 2 GSa/s メモリ深度 約25 Mpts 約50 Mpts FFT長 約1 Mpts 約2 Mpts 波形更新レート 約1,000,000 wfms/s 約120,000 wfms/s 電源 USB-C PD対応 AC電源 ここから見える設計方針は明確です。
RIGOL
- 高速UI
- 高更新レート
- 携帯性
SIGLENT
- サンプリング余裕
- 深いメモリ
- FFT解析性能
ADCアーキテクチャの違い
現在の中級オシロのADCは多くが パイプラインADC です。ただし、その使い方がメーカーによって異なります。
RIGOL:DSP補正型アーキテクチャ
RIGOLのDHOシリーズは ADCとDSP処理を強く統合した構造を持っています。
概念構造
入力 ↓ アナログフロントエンド ↓ 高速ADC ↓ DSP補正 ├ ノイズ補正 ├ 補間 ├ 平均化 ↓ 表示設計思想
- ADCは高速動作を優先
- デジタル処理で波形品質を補正
メリット
- 波形更新レートが非常に高い
- UI応答が速い
- グリッチ検出能力が高い
デメリット
- アナログノイズはやや多い
- FFTノイズ床がやや高くなる
SIGLENT:アナログ品質重視アーキテクチャ
SIGLENTのHDシリーズは アナログ品質を優先する設計です。
概念構造
入力 ↓ 低ノイズアンプ ↓ 帯域制御 ↓ 高品質ADC ↓ FPGA ↓ 表示設計思想
- ADC自体のS/Nを最大化
- DSP補正は比較的少ない
メリット
- ベースラインが静か
- FFTダイナミックレンジが広い
- 微小信号が見えやすい
デメリット
- 更新レートはRIGOLより低い
FFT性能の差
FFT解析では次の関係が成立します。
FFTダイナミックレンジ ≒ ADCノイズつまり
- ADCノイズが低いほど
- スペクトルノイズ床が低くなる
結果として
SIGLENT
- FFTベースラインが低い
- 微小スプリアスが見える
RIGOL
- FFT床がやや高い
- 小信号が埋もれやすい
またFFT長も違います。
機種 FFT長 RIGOL 約1M SIGLENT 約2M 波形更新レート
リアルタイムデバッグでは 更新レート が重要です。
機種 更新レート RIGOL 約1,000,000 wfms/s SIGLENT 約120,000 wfms/s 更新レートが高いほど
- グリッチ
- ランダムイベント
- 短時間異常
を見つけやすくなります。
アナログフロントエンド
測定器の品質を決める重要な部分は
入力アンプ アッテネータ 保護回路から構成される アナログフロントエンドです。
ここで
- ノイズ
- 歪み
- 帯域特性
が決まります。
一般的な評価ではSIGLENTのフロントエンドは比較的静粛と言われています。
サンプルクロックジッター
高周波解析やFFTでは サンプルクロックジッター が重要です。
ジッター = 時間軸の揺らぎジッター ↑ ↓ 高周波SNR ↓そのため
- RF解析
- オーディオ歪測定
- 高調波測定
ではクロック品質が効いてきます。
トリガー性能
オシロスコープの本質は
波形を表示する装置 ではなく イベントを捕まえる装置です。
つまり重要なのは
トリガー回路です。
更新レートが高い RIGOLはランダムイベント検出に強い 傾向があります。
両機種の性格まとめ
特性 RIGOL SIGLENT UIレスポンス ◎ ○ 波形更新レート ◎ ○ 携帯性 ◎ △ ノイズフロア ○ ◎ FFT解析 ○ ◎ 信号忠実度 ○ ◎
用途別の選択
RIGOLが向く用途
- デジタル回路デバッグ
- グリッチ検出
- フィールド測定
- 汎用用途
SIGLENTが向く用途
- 電源リップル解析
- オーディオ測定
- FFT解析
- アナログ回路設計
結論
同じ 12bitオシロスコープでも、
- RIGOLはリアルタイム観測重視
- SIGLENTは信号忠実度重視
という明確な設計思想の違いがあります。
そのため
- デバッグ用途 → RIGOL
- 解析用途 → SIGLENT
という選択が合理的です。
Claudeによる検証
念のため、Geminiの文章をClaudeにも検証させてみた。
12-bit オシロスコープ「基礎体力」比較 — 検証レポート
✅ 概ね正確な記述
サンプリングレート
RIGOL DHO814の最大サンプリングレートは1.25 GSa/s、SIGLENT SDS814X HDは最大2 GSa/sであり、文書の記述は正確。SIGLENT FFTポイント数
SDS814X HDのFFTはハードウェアアクセラレーションにより最大2 Mpts演算に対応。「最大2 Mpts以上」という表現はほぼ正確だが、「以上」は不要で「最大2 Mpts」が正確な表現。RIGOL DHO814のUSB-C電源対応
DHO814はType-C電源インターフェースを備え、モバイルバッテリー給電が可能な設計。この記述は正確。SIGLENT OSのマウス対応
SDS814X HDは7インチタッチスクリーンを搭載し、外部マウスおよびキーボード接続に対応。正確。Teledyne LeCroyとのOEM関係(大枠)
SIGLENTがTeledyne LeCroyにOEM供給しているという事実は複数の情報源で確認済み。
仕様書レベルで同一の製品が存在することも確認されている。
⚠️ 不正確・要注意な記述
① T3DSO714HDの仕様説明が誤り(重要)
文書では「T3DSO714HDはSDS814X HD(100MHz)と同等」と述べているが、実際には異なる可能性がある。
確認できた情報源によれば、T3DSO714HDの帯域幅は 200 MHz と記載されており、
SDS814X HD(100MHz)ではなく SDS824X HD(200MHz)が正確な対応機種である可能性が高い。
「SDS814X HDそのもの」という断言には慎重さが必要。② T3DSO714HDの価格「約20万円〜」の根拠が不明確
文書中では日本円で「約20万円〜」と記載されているが、上位モデル(T3DSO724HD・200MHz版)の海外販売価格は約2,227 USDであり、円換算では33万円前後(2025年レート想定)になる。「約20万円〜」は低く見積もりすぎている可能性がある。
ただし T3DSO714HD 単体の価格は確認できた情報源に掲載がなく、より安価な可能性も排除できない。③ ノイズフロアの数値(90〜110 μVrms vs 60〜80 μVrms)
「60〜80 μVrms」という数値は、SDS814X HD(100MHz)ではなく200MHzモデルの仕様を転用している可能性がある(200MHz帯域で70 μVrmsという記載は確認)。
また、RIGOLの「90〜110 μVrms」ともども、両社の公式カタログスペックに明示されておらず、 出典不明の推定値である点に注意が必要。④ FFTダイナミックレンジ「約60〜70 dB vs 約80〜90 dB」
この数値はどちらのメーカーのカタログスペックにも記載がなく、独自の推定値または未検証の数値である。実測値に基づく比較であれば出典を明示すべきで、エンジニアリング文書として提示するには根拠が不十分。
⑤ 「高負荷時にUIの描画遅延が発生」という記述
AndroidベースのUIに遅延が生じる場合があるという記述は、特定の実機レビューに基づくものではなく一般論にとどまっており、根拠の明示が望まれる。
⑥ メモリ深度の記載漏れ(比較上の偏り)
DHO814の最大メモリ深度は25 Mptsであるのに対し、SDS814X HDは最大50 Mptsを備えている。この2倍の差が比較表に記載されておらず、包括的な比較としては漏れがある。
📋 総評
評価区分 内容 ✅ 正確 サンプリングレート、USB-C対応、FFTポイント数、SIGLENT-LeCroy OEM関係(大枠) ⚠️ 要確認 T3DSO714HDとSDS814X HDの対応関係、T3DSO714HDの価格 ❌ 根拠不明 ノイズフロアの具体的μVrms値、FFTダイナミックレンジのdB値 📌 記載漏れ メモリ深度の差(25 Mpts vs 50 Mpts) 全体的な評価の方向性(SIGLENTが測定性能で優位、RIGOLが利便性で優位)は業界の一般的な見解と矛盾しない。ただし、核心的な性能数値(ノイズフロアとFFTダイナミックレンジ)が 出典不明の推定値である点はエンジニアリング文書として重大な欠点である。
また、T3DSO714HDとSDS814X HDの対応関係にも誤りが含まれる可能性があり、引用・転載の際には各社の最新データシートによる確認を強く推奨する。
こちらもノイズフロアの値の出典が不明ということについてはしっかり指摘してくれた。ただし、SIGLENTの方ついては「SDS814X HD(100MHz)ではなく200MHzモデルの仕様を転用している可能性がある」としているが、データシートではこの項目については機種ごとの区別はしていないので全モデル共通だと思う(Claudeの誤解)。




コメント